BestOilTech Solids Control Equipment Sending to Russia
Application and Features of Drilling Fluid Shale Shaker
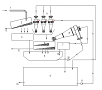
Working principals of Slurry Treatment System