Current location:Homepage > News > Company news >

Working principals of Slurry Treatment System

Time:2018-01-10 20:40   tags: Company news  

Working principals of BestOilTech series Slurry Treatment System:
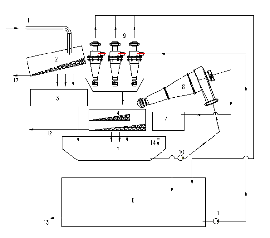
1.Supply line 2.Coarse shaker 3.Collection box 4.Fine shaker 5.Main reservoir 6.Storage Tank 7.Intermediate tank 8.Desander cyclone 9.Desilter cyclone 10.Gravel pump to desander 11.Centrifugal pump to desilter 12.Solid Discharge 13. Slurry Discharge 14.Float lever control Device
 
Step 1: The slurry charged with soil is conveyed to the system through the supply line (1) and let out onto a vibrating coarse shaker (2) which removes particles exceeding 5mm in size.
 
Step 2: The sieved slurry drops into a collection box (3) and passes through a connecting trough into the main reservoir (5) of the desanding module from where it is pumped (10) to the two desanding cyclones (8) which separate out sand from slurry.
 
Step 3: The sand pour out through the underflow outlets of the desanding cyclones (8) and drop onto a vibrating fine shaker (4) lower deck to be dewatered and removed (12) from the process.
 
Step 4: The treated slurry leaving the desanding cyclones (8) through the overflow outlets pours into an intermediate tank (7) from where it passes to a storage tank (6)
 
Step 5: A further refinement of the slurry can be achieved by pumping (11) already treated slurry from the storage tank (6) to the equipped desilting cyclones (9) for subsequent treatment..
 
Step 6: The refined slurry leaving through the overflow outlets of desilting cyclones (9) flow back to the storage tank (6), to be conveyed (13) to the site on demand.
 
Step 7: The part of the slurry leaving the desilting cyclones (9) through the underflow outlets drops onto the fine shaker (4) upper deck to be filtered out and removed from then process while the filtrate returns into the cycle.
 
Step 8: A float control device (14) fitted into the main reservoir controls the fluid level in the system during the process: by opening/closing a passage between the main reservoir and the intermediate tank, the float prevents the system overflowing and pumps running dry.